Juno® MC71112 & MC73112-series ICs provide advanced torque control for Brushless DC and DC Brush motors. Available as a single one-axis IC in two different package options, these products provide ultra-efficient FOC control and are ideal for a wide range of pump, spindle, force, and end effector control applications. Juno ICs interface to external bridge-type switching amplifiers and utilize Performance Motion Device’s advanced current and switch-signal technology for ultra smooth operation. Juno ICs are equipped with amplifier management features such as overcurrent, over/undervoltage, and overtemperature sense.


| Part Number | Package | Function | Motors Supported |
| MC71112 | 64-pin TQFP | Torque control | DC Brush |
| MC71112N | 56-pin VQFN | Torque control | DC Brush |
| MC73112 | 64-pin TQFP | Torque control | Brushless DC |
| MC73112N | 56-pin VQFN | Torque control | Brushless DC |
Parameters |
Value |
Applicable P/Ns |
MC71112, MC71112N, MC73112, MC73112N |
Motors supported |
3-phase Brushless DC, DC Brush |
Operating modes |
Direct command input via external circuitry (onboard NVRAM holds configuration) |
Current control modes |
FOC (field oriented control) |
Commutation modes |
6-step (using Hall sensors) |
Motor output modes |
High/low PWM |
Communication modes |
Point-to-point asynchronous serial, Multi-drop asynchronous serial |
Serial baud rate range |
1,200 to 460,800 baud |
Internal trace RAM |
6,144 16-bit words |
Internal NVRAM |
1,024 16-bit words |
Torque command options |
Analog signal (12-bit A/D resolution) |
Control/status signals |
Enable, FaultOut, Hostinterrupt, Brake |
Motor drive signals |
PWM High/LowA-C, AmplifierEnable, CurrentA-C |
DC Bus safety signals |
Shunt, BusVoltage, BusCurrentSupply, Temperature |
Motor feedback signals |
QuadA, QuadB, Index, HallA-C |
Max quadrature rate |
40 Mcounts/second |
Max SPI frequency |
10 MHz |
Current loop rate |
20 kHz |
Commutation rate |
40 kHz |
PWM rate |
20, 40, 80, 120 kHz |
Dimensions |
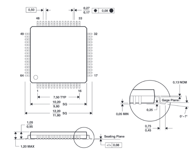
64-pin TQFP: 12 mm x 12 mm including leads |


Supply Voltage (Vcc) |
-0.3V to +4.6V |
FltCap pin voltage range |
-0.3V to 2.5V |
Analog voltage range with respect to AnalogGND (AnalogVcc) |
-0.3V to +4.6V |
| Input voltage (Vi) | -0.3V to +4.6V |
| Output voltage (Vo) | -0.3V to +4.6V |
| Input clamp current (Ii,clamp), peak: | +/-20 mA |
| Input clamp current (Ii,clamp), continuous: | +/-2 mA |
| Output clamp current (Io,clamp) | +/-20 mA |
| Package thermal impedance, 64-pin TQFP package (θJA) | 56.5°C/W |
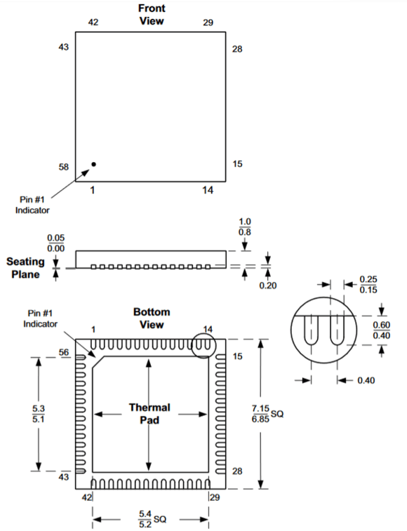
| Package thermal impedance, 56-pin VQFN package (θJA) | 34.8°C/W |
| Junction temperature range (Tj) | -40°C to 150°C |
| Storage Temperature (Ts) | -65°C to 150°C |
| Nominal Clock Frequency (Fclk) | 10.0 MHz |

| Developer Kit Part Number | Juno IC Installed | Motors Supported | Comments |
| DK71112 | MC71112 | DC Brush | Torque control |
| DK73112 | MC73112 | Brushless DC | Torque control |
| Developer Kit Part Numbers | Juno IC Installed | Motors Supported | Comments |
| DK71112N | MC71112N | DC Brush | Torque control |
| DK73112N | MC73112N | Brushless DC | Torque control |
Datasheet(s)
MC7X112 Torque Control IC Datasheet
User Guides
Juno Torque Control IC User Guide v1.2
DK78113 Developer Kit User Manual v1.2
DK73112N Developer Kit User Manual v1.3
MC78113 Electrical Specifications v1.3
Juno Velocity & Torque Control IC Programming Reference v1.1
Software Downloads
Pro-Motion
SDK (Software Development Kit)
Highlights / Papers
New Low Cost Torque Control ICs Provide Field Oriented Control
The Juno family of ICs excel at velocity and torque control and are perfect for building low cost, high performance motor or actuator controllers.
Ultra compact, rugged PCB-mountable intelligent drives that provide high-performance motion control, network connectivity, and power amplification.
The popular MC58113 provides single-axis advanced position and torque control for Brushless DC, DC Brush, and step motors. These world-class ICs are the ideal solution for your next motion control design application challenge.
Compact single-axis amplifiers that provide high-performance torque control for Brushless DC, DC Brush, and step motors. Atlas amplifiers come in both a vertical and horizontal mounting configuration and are available in three power ranges.
Multi-Axis Motion Control ICs that are perfect for building your own machine control board from the ground up. They feature the latest in profile generation, servo loop closure, current control, profile synchronization, and much more.
ION Digital Drives combine a single axis Magellan IC and an ultra-efficient digital amplifier into a compact rugged package. IONs are easy-to-use plug-and-play devices that will get your application up and running in a snap.
Single and Multi-Axis Motion Boards are complete ready-to-go controllers that come in various form factors including PC-104, standalone, and standalone with built-in Atlas Amplifiers
Pro-Motion is PMD's easy-to-use Windows-based exerciser and motion analysis program. It offers ready-to-go capabilities your entire development team will be able to share.
PERFORMANCE MOTION DEVICES, INC.
80 Central Street | Boxborough, MA 01719
P: 978.266.1210 | F: 978.266.1211 | info@pmdcorp.com