Prodigy®/CME Machine-Controller Boards provide high-performance motion control for medical, scientific, automation, industrial, and robotic applications. Available in 1, 2, 3, and 4-axis configurations, these boards support DC Brush, Brushless DC, and step motors. Machine-Controller boards provide user-selectable profile modes including S-curve, trapezoidal, velocity contouring, and electronic gearing with on-the-fly parameter change. User-application C-language code can be downloaded and run directly on the board for standalone operation. The Prodigy/CME Machine-Controller has on-board Atlas amplifiers that eliminate the need for external amplifiers. Host interface options include Ethernet, CANbus, RS-232, and RS-485.

| Prodigy/CME Machine-Controller P/N | Installed Magellan P/N | Number of Axes | Motors Supported |
| PR33SM00001 | MC58120 | 1 | Brushless DC, DC Brush, Step Motor |
| PR33SM00002 | MC58220 | 2 | Brushless DC, DC Brush, Step Motor |
| PR33SM00003 | MC58320 | 3 | Brushless DC, DC Brush, Step Motor |
| PR33SM00004 | MC58420 | 4 | Brushless DC, DC Brush, Step Motor |
Parameter |
Value |
Number of axes supported |
1, 2, 3 or 4 axes |
Supported motor types |
DC Brush, Brushless DC, Step motor |
Servo loop rates |
51.2 μsec to 1.6 sec. |
Encoder formats supported |
Quadrature, Absolute SSI |
Quadrature decode rate |
40 Mcounts/sec |
Capability for onboard amplifier |
Yes, Atlas Amplifier |
General purpose digital I/O |
8 bi-directional, 4 input, 4 output |
General purpose analog input |
8 16-bit channels (± 10V) |
General purpose analog output |
8 16-bit channels (± 10V) |
Limit switches |
2 per axis: one for each direction of travel |
User program memory |
256 KB Flash / 8 KB RAM |
User program stack memory |
8 KB RAM |
Dual ported RAM |
128 KB or 468 KB (enhanced memory option) |
Communication modes |
Serial, CANbus, Ethernet |
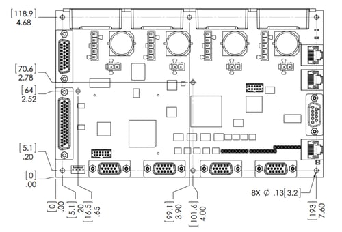
Dimensions |
7.80’’ x 4.88’’ x .78” (19.8cm x 12.4cm x 1.98cm) |
On-board amplifier voltage range |
12 - 56V |
On-board amplifier continuous current output |
DC Brush Motor: 14 ADC |
Length (L) |
Width (W) |
Height (H) |
7.80 in |
4.88 in |
.78 in |

Storage temperature: |
-40 to +125 degrees C (-40° F to +257° F) |
Operating temperature: |
0 to +70 degrees C (32° F to +158° F) |
| HV power requirement: | +12V to + 56V operating range |
| Optional +5V requirement: | 4.75V to 5.25V operating range |
| Analog (DAC) output range: | -10.0V to +10.0V, ± 3mA min/axis, short circuit protected |
| Analog input range: | -10.0V to +10.0V, 80.4 KOhm input impedance |
| Digital I/O voltage range: | 0V to 5V, TTL thresholds, inputs pulled up to 5V through 4.7 kOhm resistors |
| Digital outputs drive capacity: | DC output source or sink current: ± 50mA |
| CAN communications: | 2.0B compliant, non-isolated, 1 Mbps |
| Serial communications: | RS232 signaling or RS485 Full or Half Duplex (data only) |
| Ethernet communications: | 10/100BASE-TX (10/100 Mbps) |
| Nominal clock frequency (Fclkin) | 10.0 MHz |
| Specification | Standard |
| CE | LVD: EN60204-1 EMC-D: EN6100-6-1, EN61000-6-3, EN55011 |
PMD Developer Kits make set-up, tuning, optimizing, and building your motion control application fast and easy.

| Developer Kit Part Numbers | Items Included | Comments |
| PRK33MK00004 | L-Bracket Cables & accessories Software SDK & manuals |
Some assembly required. This P/N is typically ordered when the board and Atlas units will be purchased separately. |
| PRK33ML44002 | Machine Controller board (2 axis) 2 high power multi motor Atlas units L-Bracket Cables & Accessories Software SDK & manuals |
Comes fully assembled. This is a complete 2-axis setup with Atlas units and machine controller board included. |
| PRK33ML44403 | Machine Controller board (3 axis) 3 high power multi motor Atlas units L-Bracket Cables & Accessories Software SDK & manuals |
Comes fully assembled. This is a complete 3-axis setup with Atlas units and machine controller board included. |
| PRK33ML44444 | Machine Controller board (4 axis) 4 high power multi motor Atlas units L-Bracket Cables & Accessories Software SDK & manuals |
Comes fully assembled. This is a complete 4-axis setup with Atlas units and machine controller board included. |
Datasheet(s)
Prodigy/CME Machine-Controller Motion Board Datasheet
User Guides
Prodigy/CME Machine-Controller User Guide v1.2
Prodigy/CME Machine-Controller Developer Kit User Manual v1.0
Magellan Motion Control IC User Guide v3.1
C-Motion Magellan Programming Reference v4.4
C-Motion PRP Programming Reference v1.2
C-Motion Engine Development Tools User Manual v1.3
Software Downloads
Pro-Motion
SDK (Software Development Kit)
Highlights / Papers
Motion Board Integrates Amplifiers and Synchronized Contouring
The Juno family of ICs excel at velocity and torque control and are perfect for building low cost, high performance motor or actuator controllers.
Ultra compact, rugged PCB-mountable intelligent drives that provide high-performance motion control, network connectivity, and power amplification.
The popular MC58113 provides single-axis advanced position and torque control for Brushless DC, DC Brush, and step motors. These world-class ICs are the ideal solution for your next motion control design challenge.
Compact single-axis amplifiers that provide high-performance torque control for Brushless DC, DC Brush, and step motors. Atlas amplifiers come in both a vertical and horizontal mounting configuration and are available in three power ranges.
Multi-Axis Motion Control ICs that are perfect for building your own machine control board from the ground up. They feature the latest in profile generation, servo loop closure, current control, profile synchronization, and much more.
ION Digital Drives combine a single axis Magellan IC and an ultra-efficient digital amplifier into a compact rugged package. IONs are easy-to-use plug-and-play devices that will get your application up and running in a snap.
Single and Multi-Axis Motion Boards are complete ready-to-go controllers that come in various form factors including PC-104, standalone, and standalone with built-in Atlas Amplifiers.
Pro-Motion is PMD's easy-to-use Windows-based exerciser and motion analysis program. It offers ready-to-go capabilities your entire development team will be able to share.
PERFORMANCE MOTION DEVICES, INC.
80 Central Street | Boxborough, MA 01719
P: 978.266.1210 | F: 978.266.1211 | info@pmdcorp.com